logo

পণ্যের বিবরণ

Created with Pixso. বাড়ি Created with Pixso. পণ্য Created with Pixso.
কম ভোল্টেজ সুরক্ষা ডিভাইস
Created with Pixso.

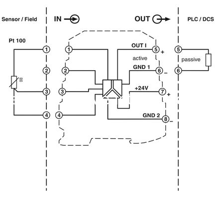
Phoenix MINI MCR-BL-PT100-I-NC 2810489 PT100 Temperature Sensor Transmitter

Phoenix MINI MCR-BL-PT100-I-NC 2810489 PT100 Temperature Sensor Transmitter

ব্র্যান্ড নাম: Phoenix
মডেল নম্বর: 2810489
MOQ: 1
মূল্য: Negotiations
বিস্তারিত তথ্য
উৎপত্তি স্থল:
জার্মানি
তাপমাত্রা পরিমাপের পরিসীমা:
মিনিট 50 কে
সেন্সর ইনপুট বর্তমান:
1 mA (ধ্রুবক)
খোলা বর্তনী ভোল্টেজ:
প্রায় 12.5 ভি
বর্তমান আউটপুট সংকেত:
4 মা ... 20 মা
সর্বোচ্চ বর্তমান আউটপুট সংকেত:
23 mA
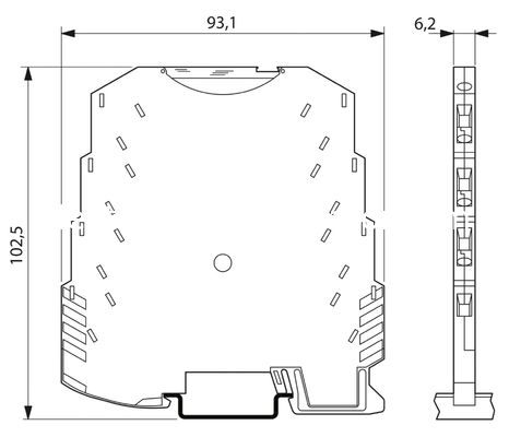
প্যাকেজিং বিবরণ:
নতুন মূল বাক্স
বিশেষভাবে তুলে ধরা:

PT100 temperature sensor transmitter

,

mini PT100 temperature transmitter

,

low voltage PT100 sensor

পণ্যের বর্ণনা
Phoenix MINI MCR-BL-PT100-I-NC 2810489 PT100 Temperature Sensor Transmitter
Phoenix MINI MCR-BL-PT100-I-NC 2810489 PT100 Temperature Sensor Transmitter 0
The Phoenix MINI MCR-BL-PT100-I-NC (Part No. 2810489) is an industrial-grade PT100 temperature sensor transmitter designed for precise and reliable temperature monitoring in industrial automation and control systems. Engineered with high-precision PT100 sensing technology, it converts temperature signals into stable, industry-compatible outputs, ensuring accurate data transmission even in harsh operating environments. Compact in size yet robust in performance, this transmitter integrates seamlessly with industrial control setups, offering consistent performance for critical temperature measurement tasks across manufacturing, process control, and machinery monitoring applications.