logo

পণ্যের বিবরণ

Created with Pixso. বাড়ি Created with Pixso. পণ্য Created with Pixso.
কম ভোল্টেজ সুরক্ষা ডিভাইস
Created with Pixso.

Phoenix MACX MCR-T-UI-UP 2811394 temperature measurement module has high accuracy

Phoenix MACX MCR-T-UI-UP 2811394 temperature measurement module has high accuracy

ব্র্যান্ড নাম: Phoenix
মডেল নম্বর: 2811394
MOQ: 1
মূল্য: Negotiations
বিস্তারিত তথ্য
উৎপত্তি স্থল:
জার্মানি
সর্বাধিক স্যুইচিং ভোল্টেজ:
30 V AC/DC
সর্বোচ্চ স্যুইচিং কারেন্ট:
1 A (30 V DC)
সর্বোচ্চ বর্তমান আউটপুট সংকেত:
22 mA
লোড/আউটপুট লোড ভোল্টেজ আউটপুট:
K 10 কিলোমিটার
প্যাকেজিং বিবরণ:
নতুন মূল বাক্স
বিশেষভাবে তুলে ধরা:

Phoenix temperature measurement module

,

high accuracy temperature module

,

low voltage protection temperature sensor

পণ্যের বর্ণনা
Phoenix MACX MCR-T-UI-UP 2811394 temperature measurement module has high accuracy
Phoenix MACX MCR-T-UI-UP 2811394 temperature measurement module has high accuracy 0
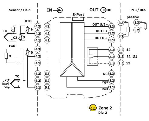
The Phoenix MACX MCR-T-UI-UP (Part No. 2811394) is a high-performance temperature measurement module that stands out for its exceptional accuracy, making it ideal for precision-critical industrial applications. Engineered to deliver reliable temperature detection and signal processing, this module seamlessly integrates with various temperature sensors to convert raw data into stable, industry-standard outputs, ensuring consistent and precise readings even in demanding operating environments. Its compact design and robust build enable easy integration into existing industrial control systems, catering to the needs of process control, manufacturing, and machinery monitoring where accurate temperature measurement is vital for operational efficiency and safety.